Поставка и монтаж ПВХ-систем любой сложности в Шымкенте, области и по всему Казахстану. Прямые поставки от завода-производителя Ideal Plast.
Преимущества Ideal Plast
Мы создаем качественные решения для вашего комфорта
Качество
Соблюдение стандартов качества при производстве продукции. Контроль на каждом этапе.
Гарантия
Официальная гарантия от 5 лет на профили и монтаж. Сервисное обслуживание.
Цена
Доступная стоимость от производителя. Без посредников — экономия до 30%.
Производство
Собственное производство в г. Шымкент. Быстрая доставка в Туркестан, Ленгер и по всей области.
Инновации
Использование передовых технологий и материалов. Немецкие стандарты.
Надежность
Устойчивость профилей к воздействию внешних факторов. Долговечность.
Профильные системы
Выберите идеальную систему для вашего проекта из нашего каталога

Профиль ПВХ 70 серия
A-Класс | ПремиумФлагманская система с максимальной теплоизоляцией для жилых помещений

Профиль ПВХ 70 серия
B-Класс | СтандартОптимальное сочетание цены и качества для стандартного остекления

Профиль ПВХ 60 серия
B-Класс | ЭкономЭкономичное решение для балконов и нежилых помещений

Профиль ПВХ 70 серия
Золотой дубЛаминированный профиль с текстурой натурального дерева
Не нашли подходящий вариант?
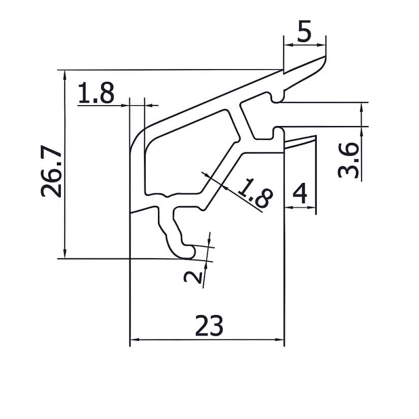
Получить консультациюТехнические чертежи
Профильные системы Ideal Plast разработаны с учетом строгих стандартов энергоэффективности и статических нагрузок.

Сечение профиля (Тип А)
Пятикамерная система для максимальной теплоизоляции

Сечение профиля (Тип B)
Трехкамерная система для стандартных решений
ТОО «Идеал Строй Инвест» — надежный партнер в сфере остекления
Ideal Plast — ведущий производитель ПВХ-систем, обеспечивающий качественное остекление объектов в Шымкенте, Туркестанской области и по всему Казахстану.
Мы специализируемся на производстве и установке пластиковых окон, дверей и ПВХ панелей, поставляя продукцию во все регионы страны. Наше производство мощностью более 1000 изделий в месяц оснащено современным европейским оборудованием.
Выбирая продукцию Ideal Plast, вы получаете надёжные решения для остекления и строительства. Мы работаем как с частными клиентами, так и с корпоративными заказчиками, гарантируя стабильное качество и соблюдение сроков.

Сертификаты и гарантии качества
Ideal Plast гарантирует высокое качество продукции и обслуживания, используя исключительно сертифицированные и проверенные материалы.
Наша продукция соответствует государственным стандартам качества, что подтверждает высокие эксплуатационные характеристики, надежность и долговечность. Сертификаты удостоверяют, что наша продукция прошла все необходимые испытания и соответствует установленным требованиям безопасности и качества.
Сертификат соответствия РК
СТ РК ISO 9001-2016Система менеджмента качества
Сертификат качества
ГОСТ 30673-2013Профили из ПВХ
Гигиенический сертификат
СанПиНБезопасность материалов
Сертификат производителя
EurolineНемецкие технологии
Контроль качества
Строгие стандарты и современная лаборатория — гарантия надежности нашей продукции
Как лабораторные испытания помогают улучшить продукцию
Наша лаборатория играет ключевую роль в разработке продукции, соответствующей потребностям клиентов. Мы проводим различные тесты, чтобы убедиться, что наши окна отвечают всем требованиям по тепло- и шумоизоляции, безопасности и долговечности.
Современные технологии в лабораторных испытаниях
Используем передовое оборудование для тестирования профилей на прочность, теплопроводность и устойчивость к ультрафиолету. Каждая партия проходит строгий контроль качества.
Важность лабораторных испытаний для обеспечения качества
Регулярные испытания гарантируют, что каждый профиль Ideal Plast соответствует самым высоким стандартам. Это залог долговечности и надежности нашей продукции.
Наши проекты
Более 1000 реализованных проектов по всему Казахстану
Жилой комплекс "Астана"
Полное остекление многоэтажного жилого комплекса
500+ оконЧастный дом
Индивидуальный проект с панорамным остеклением
24 окнаОфисный центр
Современное остекление бизнес-центра
200+ оконТорговый центр
Входные группы и витринное остекление
150+ м²Коттеджный поселок
Комплексное остекление коттеджей
50+ домовШкола №45
Замена окон в образовательном учреждении
180 оконЧасто задаваемые вопросы
Ответы на популярные вопросы о наших окнах и услугах
При производстве наших профилей мы используем только высококачественные материалы: сертифицированный экологически чистый поливинилхлорид (ПВХ), обеспечивающий долговечность и устойчивость к внешним воздействиям; металлические усилители для повышения прочности профилей; современные уплотнители, обеспечивающие отличную герметичность и теплоизоляцию.
Рассчитайте стоимость
Получите предварительную оценку стоимости ваших новых окон за 1 минуту
* Стоимость включает в себя замер, изготовление, доставку и профессиональный монтаж.
Отзывы наших клиентов
Мы ценим доверие наших клиентов и стремимся к совершенству в каждой детали
Готовы обсудить ваш проект?
Получите бесплатную консультацию и расчет стоимости. Наши специалисты помогут подобрать оптимальное решение.
Свяжитесь с нами
Оставьте заявку, и наши специалисты свяжутся с вами в ближайшее время
Заказать обратный звонок
Адрес
г. Шымкент, ул. Клара Цеткин 149/2. Выезд по всей Туркестанской области.
Режим работы
Пн-Пт: 09:00 - 18:00
Сб: 10:00 - 15:00



